Zum Hauptinhalt springen Zur Suche springen Zur Hauptnavigation springen
Lieferland: 

Produktinformationen "Blackline Schneckenrad-Differentialsperre BMW 188K Torsen System BMW"

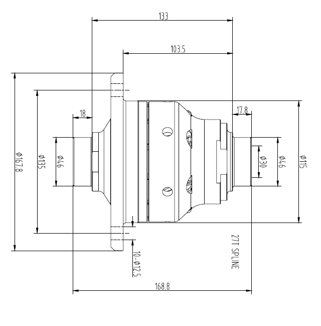
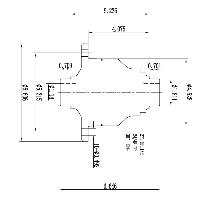
Bitte die Kompatibilität in jedem Fall vor dem Kauf & Einbau anhand der beigefügten technischen Zeichnung HLF024 prüfen!
Referenzmodelle mit 188K Differential.
E46 318d, 318td, 320Cd, 320Ci, 320d, 320i, 320td
E46 323Ci, 323i, 325Ci, 325i, 325ti, 325xi
E46 328Ci, 328i, 330Ci, 330i, 330xd, 330xi
E39 520d, 520i, 523i, 525d, 525i
E39 525td, 525tds, 528i, 530i, 535i
E38 späte Modelle
E83 X3
E53 X5
Z4 E85 / E86
Technische Daten:
Zeichnung: HLF024
Gesamtbreite: 168,8 mm
Lagersitze: 133,0 mm
Tellerradabstand: 103,5 mm
Offset: 29,2 mm
Tellerradschrauben: 10x14 mm
Fahrzeughersteller: BMW

0 von 0 Bewertungen

Durchschnittliche Bewertung von 0 von 5 Sternen

Bewerten Sie dieses Produkt!

Teilen Sie Ihre Erfahrungen mit anderen Kunden.



Angaben zur Produktsicherheit

Hersteller: Bernhard Schlüter · Hanfeldstraße 40 · 49733 Haren · info@rennsportshop.com