Lieferland: 
Produktinformationen "Gelenkkopf GAW M12 Maßreihe E"
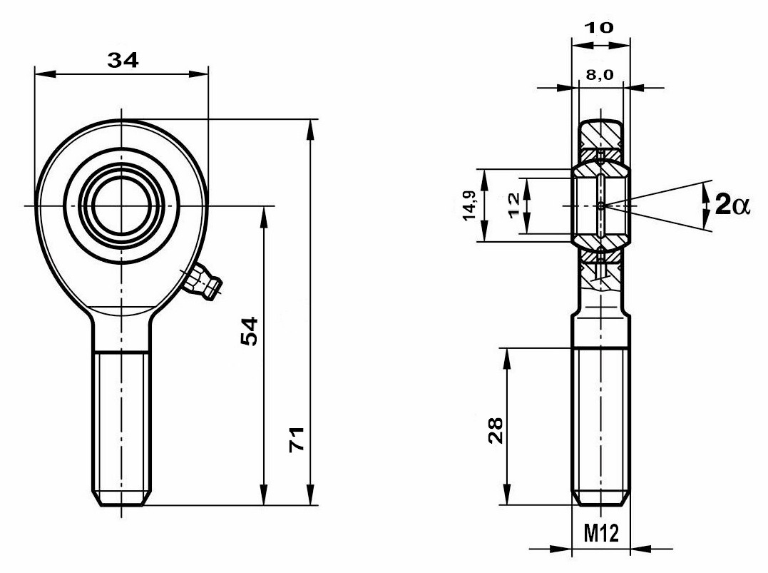
Gewinde: M12