Lieferland: 
Produktinformationen "Bordwanddurchführung D08 Bohrung 12,7mm"
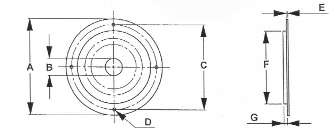
Maß A: 76,2mm
Maß B: 12,7mm
Maß C: 67,3mm
Maß D: 3,2mm
Maß E: 1,0mm
Maß F: 57,1mm
Maß G: 3,0mm