Blackline Schneckenrad-Differentialsperre Opel Astra / Kadett / Suzuki Forenza Torsen System F16 / F18 / F20 / F28 2WD
Art.Nr.:
RDHLF040
EAN
4061322174134
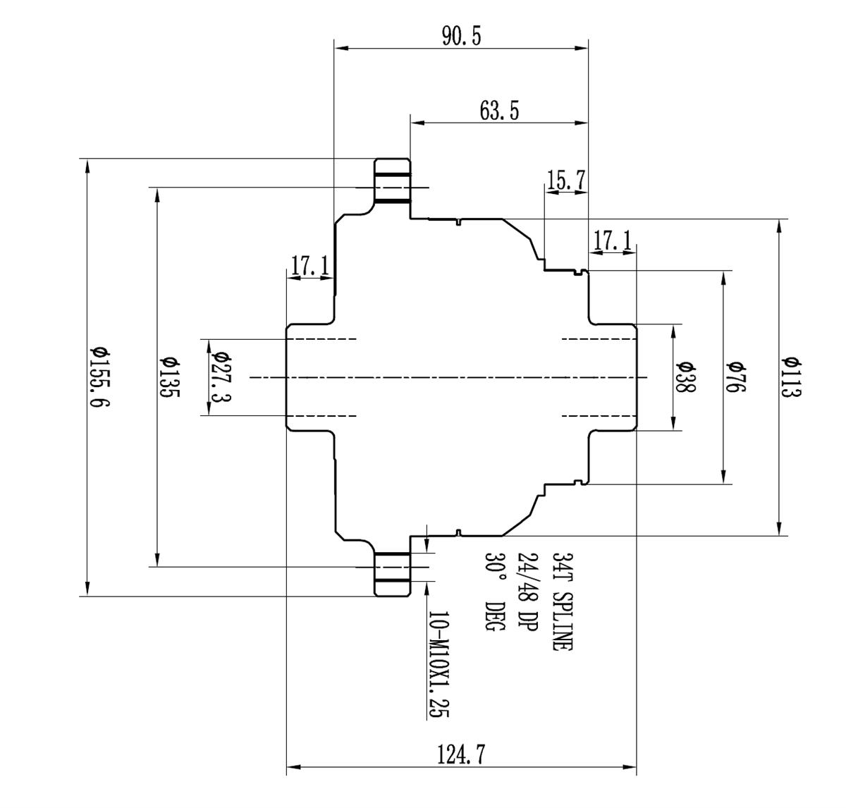
Bitte die Kompatibilität in jedem Fall vor dem Kauf & Einbau anhand der beigefügten technischen Zeichnung prüfen!
Applications:-
Opel Astra / Kadett - F16 / F18 / F20 / F28 2WD
Suzuki Forenza
Produktinformationen "Blackline Schneckenrad-Differentialsperre Opel Astra / Kadett / Suzuki Forenza Torsen System F16 / F18 / F20 / F28 2WD"
Die RDHLF040 Blackline Schneckenradsperre ist ein hochwertiges und leistungsstarkes Zubehörteil, das speziell für Fahrzeuge wie den Opel Astra, Kadett und den Suzuki Forenza entwickelt wurde. Diese Schneckenradsperre bietet eine verbesserte Traktion und ein optimiertes Handling, insbesondere in anspruchsvollen Fahrsituationen wie dem Motorsport oder bei Offroad-Einsätzen. Mit der RDHLF040 Blackline Schneckenradsperre erhältst du eine effektive Sperrwirkung, indem das Schneckenrad gesperrt wird und somit eine optimierte Drehmomentverteilung zwischen den Antriebsrädern ermöglicht wird. Dies führt zu einer verbesserten Traktion, einer besseren Fahrzeugkontrolle und einer insgesamt agileren Fahrdynamik. Egal, ob du schnelle Beschleunigungen auf der Rennstrecke oder eine zuverlässige Traktion im Gelände suchst, diese Schneckenradsperre wird dich nicht enttäuschen. Die RDHLF040 Blackline Schneckenradsperre zeichnet sich durch ihre hochwertige Verarbeitung und Langlebigkeit aus. Sie wurde aus robusten Materialien hergestellt, die den hohen Belastungen im Motorsport standhalten und eine lange Lebensdauer bieten. Die präzise Konstruktion und das sorgfältige Design ermöglichen eine einfache Installation und gewährleisten eine zuverlässige Performance unter extremen Bedingungen. Vertraue auf die renommierte Marke Blackline, die für ihre qualitativ hochwertigen Antriebskomponenten bekannt ist, und optimiere das Leistungspotenzial deines Opel Astra, Kadett oder Suzuki Forenza mit der RDHLF040 Blackline Schneckenradsperre. Egal, ob du ein begeisterter Rennfahrer oder ein Abenteurer bist, der das Gelände erkundet, diese Schneckenradsperre bietet dir das erforderliche Vertrauen und die Kontrolle, um das Beste aus deinem Fahrzeug herauszuholen. Hol dir jetzt die RDHLF040 Blackline Schneckenradsperre und erlebe ein neues Fahrerlebnis.
Fahrzeughersteller:
Opel, Suzuki
0 von 0 Bewertungen
Durchschnittliche Bewertung von 0 von 5 Sternen
Bewerten Sie dieses Produkt!
Teilen Sie Ihre Erfahrungen mit anderen Kunden.
Anmelden
Keine Bewertungen gefunden. Teilen Sie Ihre Erfahrungen mit anderen.
Angaben zur Produktsicherheit
Hersteller: Bernhard Schlüter · Hanfeldstraße 40 · 49733 Haren · info@rennsportshop.com
Privat oder Geschäftskunde?
Mit oder ohne Mwst.??
Bitte wählen Sie, ob Sie ein Privat oder Geschäftskunde sind:
Funktionale Cookies sind für die Funktionalität des Webshops unbedingt erforderlich. Diese Cookies ordnen Ihrem Browser eine eindeutige zufällige ID zu damit Ihr ungehindertes Einkaufserlebnis über mehrere Seitenaufrufe hinweg gewährleistet werden kann.
Session:
Das Session Cookie speichert Ihre Einkaufsdaten über mehrere Seitenaufrufe hinweg und ist somit unerlässlich für Ihr persönliches Einkaufserlebnis.
CSRF-Token:
Das CSRF-Token Cookie trägt zu Ihrer Sicherheit bei. Es verstärkt die Absicherung bei Formularen gegen unerwünschte Hackangriffe.
Zeitzone:
Das Cookie wird verwendet um dem System die aktuelle Zeitzone des Benutzers zur Verfügung zu stellen.
Cookie Einstellungen:
Das Cookie wird verwendet um die Cookie Einstellungen des Seitenbenutzers über mehrere Browsersitzungen zu speichern.
Cache Behandlung:
Das Cookie wird eingesetzt um den Cache für unterschiedliche Szenarien und Seitenbenutzer zu differenzieren.
Herkunftsinformationen:
Das Cookie speichert die Herkunftsseite und die zuerst besuchte Seite des Benutzers für eine weitere Verwendung.
Aktivierte Cookies:
Speichert welche Cookies bereits vom Benutzer zum ersten Mal akzeptiert wurden.
CAPTCHA-Integration
PayPal-Zahlungen
Shopware Analytics ist ein Analysedienst zur Erfassung des Shopping-Verhaltens auf diesem Webshop, bereitgestellt von der shopware AG (Ebbinghoff 10, 48624 Schöppingen, Deutschland) in gemeinsamer Verantwortung (siehe auch die Datenschutzinformationen). Die Rechtsgrundlage für die Datenverarbeitung ist Art. 6 Abs. 1 S. 1 lit. a DSGVO. Sofern Informationen lokal gespeichert werden, entnehmen Sie bitte weitere Details zur Datenverarbeitung unserer Datenschutzerklärung.
Empfänger der Daten ist die shopware AG sowie IT-Dienstleister. Verwendete Technologien umfassen Local Storage. Die erhobenen Daten beinhalten Kundengruppe, besuchte Seiten, Klickpfade, Datum und Uhrzeit des Besuches, Informationen über das genutzte Endgerät (Auflösung, Auflösungsdichte, Betriebssystem), Referrer URL, Informationen des verwendeten Browsers, Gebietsschema, Suchanfragen, Zeitzone. Der Zweck der Datenerhebung dient dem Marketing, der Analyse und der Statistik.
Die Datenverarbeitung erfolgt innerhalb der Europäischen Union. Bei Fragen zum Datenschutz können Sie den Datenschutzbeauftragten unter legal@shopware.com kontaktieren. Weitere Informationen finden Sie auf https://www.shopware.com/de/datenschutz/website.
Gespeicherte Daten:
Shopware Analytics fügt die folgenden Daten zum Local Storage des Browsers hinzu, bis die Zustimmung widerrufen wird: _swa_anonymousId (eine eindeutige Kennung des Besuchers), _swa_userTraits (Benutzermerkmale des Besuchers).
Google Auto-Übersetzer
Google Auto-Übersetzer
Google Auto-Übersetzer
Merkzettel
YouTube-Video
Landkarte:
Wir verwenden OpenStreetMap als Anbieter, um Ihnen den Standort unserer Geschäfte und Händler visuell darzustellen.
Countdown Banner:
Speichert den offenen oder geschlossenen Zustand des Countdown Banners.
Adress-Validierung:
Bindet die Google Maps API ein.
Erlaubt es Google, personenbezogene Daten für Online-Werbung und Marketing zu sammeln.
Google Werbung und Marketing
Meta Pixel:
Für die Schaltung und Optimierung von Facebook und Instagram Anzeigen, können Sie hier dem Einbinden des Meta Pixels in unseren Shop zustimmen.
Für Statistiken und Shop-Performance-Metriken genutzte Cookies.
Google Analytics
Privatsphäre-Einstellungen
Wir und unsere Partner möchten Ihnen ein besseres Online-Erlebnis bieten. Dazu speichern wir Infos auf Ihrem Gerät oder greifen darauf zu – zum Beispiel über Cookies oder ähnliche Technologien wie JavaScript. So können wir die Website verbessern, ihre Funktionen sicherstellen, Nutzerprofile erstellen und Ihnen Werbung zeigen, die zu Ihren Interessen passt. Manche unserer Partner nutzen die Daten eventuell auch für eigene Zwecke – entweder gemeinsam mit uns oder unabhängig. Wenn Sie auf „Akzeptieren“ klicken, stimmen Sie zu, dass wir die Infos speichern, darauf zugreifen und die Daten auch in Drittländer übermitteln dürfen. Wenn Sie ablehnen, werden nur unbedingt notwendige Cookies aktiviert. Ihre Einwilligung können Sie jederzeit widerrufen – einfach unter Angabe Ihrer ID. Unter „Cookie-Einstellungen“ können Sie außerdem festlegen, welche Cookies gesetzt werden sollen und erfahren, wie lange sie gespeichert werden. Alle Details zu Ihren Rechten, Widerrufsmöglichkeiten und zum Datenschutz finden Sie in unseren Datenschutzhinweisen.